И этот вопрос у меня возник в связи вот с чем: я сейчас использую статическую памятьLavr wrote:...у меня штук 10 К537РУ10 (6264) где-то завалялось...
Кстати говоря, на них делались эмуляторы ПЗУ.
http://www.qrz.ru/schemes/contribute/co ... /pzu.shtml
Я уж не стал обсмеивать здесь идею, что К537РУ10 можно один раз записать,
как ПЗУ и далее - хранить в ней всё с батареечкой, хотя мысль неплохая и
не нуждается в начальной перезаписи микрокоманд из ПЗУ.
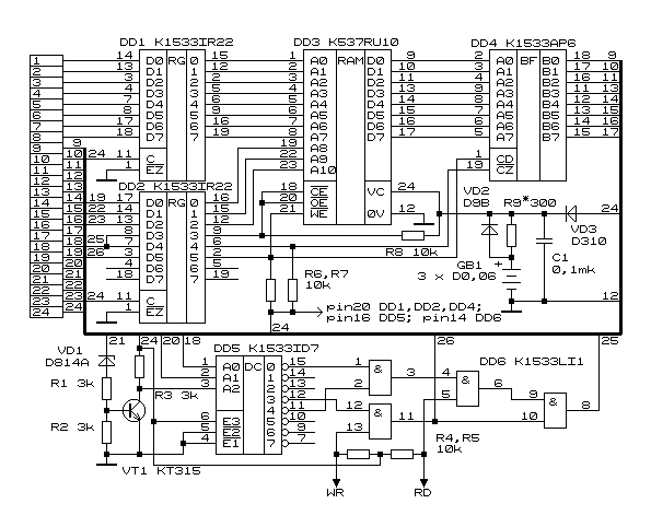
Похожим образом юзает К537РУ10 и наш дружище shoorick:
http://shoorick.ho.ua/prog/
![]()
UM61512AK-15 64K X 8 BIT в своих конструкциях... ... и когда я искал на неё технические данные, попадалась мне информация, что она тоже способна
работать в режиме хранения информации при пониженном питании +3 В.
Но сейчас что-то ни информации этой найти не могу, ни схемы, как при выключении питания
этой ИС корректно перейти в режим хранения на батареечке.
Может быть кому попадалась такая схема?


